DRAKON.SU

Текущее время: Воскресенье, 26 Октябрь, 2025 01:14

Часовой пояс: UTC + 3 часа




Начать новую тему Ответить на тему  [ Сообщений: 100 ]  На страницу Пред.  1, 2, 3, 4, 5  След.
Автор Сообщение
СообщениеДобавлено: Понедельник, 25 Апрель, 2011 21:29 
Аватара пользователя

Зарегистрирован: Суббота, 29 Март, 2008 19:27
Сообщения: 1097
Откуда: Россия, Чебоксары
Геннадий Тышов писал(а):
Алексей, почему вас напрягают рокировки и выравнивания размеров, что бы вы хотели и что предлагаете?
Ну когда текст в икону не влезает, это просто кошмарный бред раздвигать её по миллиметрам... Можно же сделать автоматическое вычисление ширины.

Геннадий Тышов писал(а):
ИС Дракон доработана для пересадки или заземления лианы с возможным пересечением. Возможно это будет соответствовать вашему направлению мыслей при думании о задаче. Будет в очередном выпуске ИС Дракон.
О! Это решит изрядную долю всех проблем! Спасибо!


Вернуться к началу
 Профиль  
 
СообщениеДобавлено: Понедельник, 25 Апрель, 2011 21:30 
Модератор
Аватара пользователя

Зарегистрирован: Среда, 16 Ноябрь, 2005 00:53
Сообщения: 143
Откуда: Россия, Орёл
Геннадий Тышов писал(а):
Алексей, почему вас напрягают рокировки и выравнивания размеров, что бы вы хотели и что предлагаете?
Вроде как (по описанию в книге Паронджанова В. Д.) все расстановки (и размеров и положения) должны делаться автоматически до положенного вида. А у Вас они вынесены как команды для пользователя. Или я не прав?


Вернуться к началу
 Профиль  
 
СообщениеДобавлено: Вторник, 26 Апрель, 2011 05:26 

Зарегистрирован: Воскресенье, 06 Апрель, 2008 14:43
Сообщения: 1657
Евгений Темиргалеев писал(а):
Вроде как (по описанию в книге Паронджанова В. Д.) все расстановки (и размеров и положения) должны делаться автоматически до положенного вида. А у Вас они вынесены как команды для пользователя. Или я не прав?
В ИС Дракон все расстановки выполняются автоматически, ширина иконы предопределенная и зависит от размера шрифта, высота иконы зависит от объема текста и ширины иконы.

Пользователь может сам изменить ширину иконы через контекстное меню или горячими клавишами "<" и ">". При желании пользователь может асимметрично разместить иконы через контекстное меню или горячими клавишами Shift+"<" и Shift+">".

Эти действия не является обязательными и при наличии навыка выполняются без напряжения и отвлечения от задачи.


Вернуться к началу
 Профиль  
 
СообщениеДобавлено: Вторник, 26 Апрель, 2011 07:30 
Аватара пользователя

Зарегистрирован: Суббота, 29 Март, 2008 19:27
Сообщения: 1097
Откуда: Россия, Чебоксары
Геннадий Тышов писал(а):
ширина иконы предопределенная и зависит от размера шрифта, высота иконы зависит от объема текста и ширины иконы.
Более чем спорная реализация. Высота обычно более критична, чем ширина.
Обычно по ширине всегда есть запас, а высоту надо экономить.
Поэтому стандартное поведение autosize: переводы строки в тектсе задают высоту, ширина самой длинной строки задаёт ширину.

Геннадий Тышов писал(а):
Пользователь может сам изменить ширину иконы через контекстное меню или горячими клавишами "<" и ">". При желании пользователь может асимметрично разместить иконы через контекстное меню или горячими клавишами Shift+"<" и Shift+">".
Эти действия не является обязательными и при наличии навыка выполняются без напряжения и отвлечения от задачи.
Не знаю, что Вы имели в виду, но у меня не получается набрать на клавиатуре ни ">", ни тем более Shift+">".
Хотя бы просто потому, что курсор стоит в поле ввода текста.
Приходится через контекстное меню - в час по миллиметру. Более идиотского времяпрвождения трудно представить, извините...


Вернуться к началу
 Профиль  
 
СообщениеДобавлено: Вторник, 26 Апрель, 2011 08:29 

Зарегистрирован: Четверг, 21 Январь, 2010 18:06
Сообщения: 63
Откуда: Нижний Новгород
Прошу прощения, что вмешиваюсь в разговор... Но как раз в этом месте я не испытываю каких либо неудобств.

На мой взгляд, есть более интересные проблемы. Например пользовательская библиотека примитивов и блоков. Хотя бы с одним входом и одним выходом...


Вернуться к началу
 Профиль  
 
СообщениеДобавлено: Вторник, 26 Апрель, 2011 14:33 

Зарегистрирован: Воскресенье, 01 Ноябрь, 2009 05:13
Сообщения: 1442
Петр Приклонский писал(а):
Прошу прощения, что вмешиваюсь в разговор... Но как раз в этом месте я не испытываю каких либо неудобств.

На мой взгляд, есть более интересные проблемы. Например пользовательская библиотека примитивов и блоков. Хотя бы с одним входом и одним выходом...
В части естественного поведения графики вершин при редактировании текста Алексей в предыдущем посте, полагаю, прав. Добавлю ещё, что в тексте вершин стили символа в именах величин должны отличаться от стилей в "именах действий" (настраивает оператор для документа). А кегль шрифта, пожалуй, имеет смысл настраивать для отдельных вершин - чтобы лучше компоновать схемы (можно посмотреть головной визуал здесь).

Точно так же и Вы правы... только нужно не абстрактные библиотеки "сами по себе" (типа палетт в DesignIDEF) делать - а как объекты "сборочно-конкретизирующей" подстановки - Алексей же говорил об этом здесь как о макроблоках... и Рэйлвей Каген в своё время как о "чёрных ящиках" - хотя и там и там в зачаточном виде, но наверное потому, что развёрывать лень было :) Практически же и текст вершин при необходимости подстановками охватываться должен. Короче, речь снова о механизме областей ;)

И ведь здесь обсуждается реализация, полезная в обучении визуальной формализации... а для этого надо уйти от "упрятывания" части модели в "типа формальные" текстовые приложения вершин... а значит - полноценный граф-текстовый прогязык (из не только императивной части - но и декларативной, и активной) д.б. реализован... а для начала определён.


Вернуться к началу
 Профиль  
 
СообщениеДобавлено: Вторник, 26 Апрель, 2011 20:06 

Зарегистрирован: Воскресенье, 06 Апрель, 2008 14:43
Сообщения: 1657
Alexey_Donskoy писал(а):
Приходится через контекстное меню - в час по миллиметру. Более идиотского времяпрвождения трудно представить, извините...
Алексей, проблема с миллиметрами возникла только у вас. У вас существует непонимание каких то простых вещей.
Вот и Петр Приклонский пишет: (спасибо за поддержку)
Петр Приклонский писал(а):
Но как раз в этом месте я не испытываю каких либо неудобств.

Рассмотрим последовательно порядок действий в наипростейшем примере.
Вложение:
ДляАлексея01.PNG

Вложение:
ДляАлексея02.PNG

Вложение:
ДляАлексея03.PNG
Вложение:
ДляАлексея04.PNG
Вложение:
ДляАлексея05.PNG

Вложение:
ДляАлексея06.PNG
Вложение:
ДляАлексея07.PNG
Вложение:
ДляАлексея08.PNG

Нажимаем клавишу "Tab".
Получаем текстовое окно с текстом иконы, при этом форматирование текста в текстовом окне не зависит от ширины иконы.

Здесь мы использовали клавишу "Tab" для переключения между иконой и текстовым окном.
Тоже при клике мышкой на строке состояний.
При двойном клике на иконе открывается текстовое окно, на схеме закрывается текстовое окно.

Ширину иконы и ее сдвиг относительно шампура можно установить мышкой в контекстном меню иконы.

Как видите, никакой борьбы с миллиметрами нет.
Ждем от вас сообщения, что теперь проблемы нет.

==========================================

Начиная с выпуска от 07.05.2011.

Клавиша "Tab" не используется.

Окно с текстом открывается при клике мышкой в схеме на тексте, при клике на строке состояний, при выбранном тексте и нажатии клавиши "Enter".

Окно закрывается при клике мышкой на схеме или листе, при клике на строке состояний, при нажатии клавиши "Esc".


Последний раз редактировалось ==== Воскресенье, 08 Май, 2011 04:03, всего редактировалось 4 раз(а).

Вернуться к началу
 Профиль  
 
СообщениеДобавлено: Вторник, 26 Апрель, 2011 20:37 

Зарегистрирован: Воскресенье, 06 Апрель, 2008 14:43
Сообщения: 1657
Петр Приклонский писал(а):
На мой взгляд, есть более интересные проблемы. Например пользовательская библиотека примитивов и блоков. Хотя бы с одним входом и одним выходом...
Нет проблем.

На одном или нескольких листах сделайте набор схем "Примитив" и разместите в них блоки для копирования. Или схемы "Силуэт" с набором веток.
При открытии листов вашего текущего проекта, откройте и листы с заготовками блоков. По мере необходимости копируйте требуемый блок с листа с заготовками и вставляйте его в схему на листе вашего проекта.

Для одновременного открытия проекта с библиотекой заготовок, скопируйте папку библиотеки заготовок в папку проекта, открывайте проект в меню пункт "Файл / Открыть проект в папке ...".

Петр, полагаю в ИС Дракон достаточно средств в части организации библиотеки заготовок блоков.


Вернуться к началу
 Профиль  
 
СообщениеДобавлено: Вторник, 26 Апрель, 2011 21:27 

Зарегистрирован: Четверг, 21 Январь, 2010 18:06
Сообщения: 63
Откуда: Нижний Новгород
Геннадий Тышов писал(а):
.
... полагаю в ИС Дракон достаточно средств в части организации библиотеки заготовок блоков.


И.с. Drakon выполнена в DOS стиле. В связи с этим довольно неудобная навигация по открытым схемам и листам.
Я обратил внимание на редактор yEd, рассмотренный в теме http://forum.oberoncore.ru/viewtopic.php?f=79&t=3365. Если была бы возможность совместить чисто "Драконовский" подход и элементы редактора yEd, мне кажется, мог получиться инструмент с новым качеством.


Вернуться к началу
 Профиль  
 
СообщениеДобавлено: Вторник, 26 Апрель, 2011 21:42 
Аватара пользователя

Зарегистрирован: Суббота, 29 Март, 2008 19:27
Сообщения: 1097
Откуда: Россия, Чебоксары
Геннадий Тышов писал(а):
У вас существует непонимание каких то простых вещей.
Это, извините, у Вас существует непонимание каких-то простых вещей. А именно эргономики и стандартизации интерфейса.
Это ж надо - ещё клавишу Tab нажимать! Как, скажите, пожалуйста, я мог узнать об этом?!

И - Вы пробовали это делать при работе с достаточно большим проектом? Сколько секунд тормозит программа при нажатии клавиши Tab?
И почему она при этом позиционирует прокрутку фиг знает куда, приходится снова искать нужное место.

Вот неужели трудно сделать нормальный автосайз?! Это ж не граф на плоскости разводить, вопрос выеденного яйца не стоит.

Цитата:
Ждем от вас сообщения, что теперь проблемы нет.
Есть проблема. Работать серьёзно невозможно.
На простейшую школьную задачу из двух циклов и одной процедуры потратил больше часа! То есть это только на рисование.
Итого потрачено ресурсов:
10 сек - придумывание алгоритма решения;
5 минут - рисование основного цикла, обдумывание и принятие решения преобразовать "примитив" в "силуэт";
15 минут - рисование всей задачи с применением клавиши Tab etc.;
2 минуты - решение выделить процедуру;
20 минут - безуспешные попытки чтения "документации" в поиске того, как расположить на листе отдельные участки схемы ("силуэт" и "примитив");
5 минут - квест... нет, жуткий триллер... по изучению фичи "причаливание".
10 минут - причёсывание и экспорт...

Даже если убрать все расходы на изучение системы, то непроизводительных затрат море.
В тексте эту задачу - максимум 5 минут. Против 30-40...
Что-то здесь не то...

Цитата:
Петр, полагаю в ИС Дракон достаточно средств в части организации библиотеки заготовок блоков.
А я полагаю, речь всё-таки о макроблоках. Не о копипасте, и не о вставках и вынесенных процедурах, а об иерархическом построении, со скрытием большого участка схемы в маленьком блоке (с возможностью разворачивания) и т.п.


Вернуться к началу
 Профиль  
 
СообщениеДобавлено: Среда, 27 Апрель, 2011 11:41 

Зарегистрирован: Вторник, 15 Декабрь, 2009 11:43
Сообщения: 83
>Алексей Донской пишет:
>Вот неужели трудно сделать нормальный автосайз?! Это ж не граф на плоскости разводить, вопрос выеденного яйца не стоит.

Мы опять возващаемся все к тому же вопросу.
(как учат классики, бесполезно обсуждать частные детали, не решив главных вопросов)

Есть ли на текущий момент ПО, реализующее работу с языком ДРАКОН, которое можно
предложить для массового использования ?

Последний раз этот вопрос на форуме задал Дмитрий Дагаев.
Я ответил ему, что сейчас если что и выложено на форуме, то это только макеты.
И все выложенное мной в разделе "инструменты дракон-схем" тоже.

(Да и программа Геннадия Николаевича к сожалению недалеко ушла от этого
состояния, причем в этом случае вопрос даже не в качестве самой программы, судя по
мнениям участников форума к настоящему моменту она уже достаточно отлажена,
а в качестве проработки ее интерфейса, которые многие считают неудобным.)

Поскольку команду разработчиков среды для языка ДРАКОН пока собрать не удалось
или, если она и есть, то на форуме о ней ничего неизвестно, то сейчас, я считаю, речь
должна идти о накоплении некоего реализованного на макетном уровне набора
алгоритмов для этой среды, который в дальнейшем кто-нибудь объединит в целостную
программу, пригодную для массового использования.

Вот если Вы, Алексей, считаете, что "Вот неужели трудно сделать нормальный автосайз?!
Это ж не граф на плоскости разводить, вопрос выеденного яйца не стоит." (добавлю от
себя - при наличии достаточного количества свободного времени), то, пожалуйста,
возьмите мой макет dal_vjaz, без разницы, на BCB или на Delphi, доработайте алгоритм
вывода визуальной схемы для полной формы представления и добавьте туда автоматическое
выравнивание при изменении ширины текста в блоке. Если возникнут вопросы при
изучении написанного мной алгоритма вывода визуальной схемы, я на них отвечу.


Вернуться к началу
 Профиль  
 
СообщениеДобавлено: Среда, 27 Апрель, 2011 13:09 
Аватара пользователя

Зарегистрирован: Суббота, 29 Март, 2008 19:27
Сообщения: 1097
Откуда: Россия, Чебоксары
Дмитрий_ВБ писал(а):
Мы опять возващаемся все к тому же вопросу (как учат классики, бесполезно обсуждать частные детали, не решив главных вопросов). Есть ли на текущий момент ПО, реализующее работу с языком ДРАКОН, которое можно предложить для массового использования?
Это не главный вопрос.
Главный - пригоден ли сам язык для массового использования.

Ну, а покуда непригоден - то рано его в вузы проталкивать и книжку за книжкой писать.

Дмитрий_ВБ писал(а):
(добавлю от себя - при наличии достаточного количества свободного времени)
Добавлю от себя - при наличии достаточного количества свободного времени я б ещё в 2007 году написал среду ;)
Но история сослагательного наклонения не любит.
Вот что есть, то есть.

И, опять же, кажется мне, что Владимир Даниелович совсем не в ту сторону направляет усилия.
Не с Дракона надо начинать.
А надо развернуть масштабные исследования по когнитивной эргономике, откуда конкретный продукт в качестве побочного результата может выйти.
И вовсе не факт, что он будет на Дракон похож ;)

Всякие ресайзы и прочие плюшки - совершенно вторичное дело. Просто Геннадий не к месту опять с победными реляциями выступил, и тема скатилась в мелкие технические вопросы...


Вернуться к началу
 Профиль  
 
СообщениеДобавлено: Среда, 27 Апрель, 2011 17:03 

Зарегистрирован: Воскресенье, 01 Ноябрь, 2009 05:13
Сообщения: 1442
Alexey_Donskoy писал(а):
...Добавлю от себя - при наличии достаточного количества свободного времени я б ещё в 2007 году написал среду ;)
Но история сослагательного наклонения не любит.
Вот что есть, то есть.

...
А надо развернуть масштабные исследования по когнитивной эргономике, откуда конкретный продукт в качестве побочного результата может выйти.
И вовсе не факт, что он будет на Дракон похож ;)
...
А на что он, по Вашей мысли, мог бы быть похож?
Ведь если Вам уже давно нужно только время (ну и м.б. другие ресурсы какие-то) для написания среды - значит, у Вас есть представления об облике языков, которые в ней реализовать хотелось бы. Масштабные исследования по данной тематике - это хорошо, когда знаешь, какой "набор пультовых данных" хочешь эргономизировать как в статике, так и в динамике... вот военные и коммерческие ИП-шники работали с реальными проектами СЧМ (в данном случае будет СЧЗ)...


Вернуться к началу
 Профиль  
 
СообщениеДобавлено: Среда, 27 Апрель, 2011 18:43 
Аватара пользователя

Зарегистрирован: Суббота, 29 Март, 2008 19:27
Сообщения: 1097
Откуда: Россия, Чебоксары
Драконограф писал(а):
Ведь если Вам уже давно нужно только время (ну и м.б. другие ресурсы какие-то) для написания среды - значит, у Вас есть представления об облике языков, которые в ней реализовать хотелось бы. Масштабные исследования по данной тематике - это хорошо, когда знаешь, какой "набор пультовых данных" хочешь эргономизировать как в статике, так и в динамике...
Какие там "пультовые данные"?!
Процесс решения задачи, процесс обучения (формирование моделей, "кристаллизация" знаний о предметной области в процессе решения задачи) и т.п...


Вернуться к началу
 Профиль  
 
СообщениеДобавлено: Четверг, 28 Апрель, 2011 08:59 

Зарегистрирован: Воскресенье, 01 Ноябрь, 2009 05:13
Сообщения: 1442
Alexey_Donskoy писал(а):
Драконограф писал(а):
Ведь если Вам уже давно нужно только время (ну и м.б. другие ресурсы какие-то) для написания среды - значит, у Вас есть представления об облике языков, которые в ней реализовать хотелось бы. Масштабные исследования по данной тематике - это хорошо, когда знаешь, какой "набор пультовых данных" хочешь эргономизировать как в статике, так и в динамике...
Какие там "пультовые данные"?!
Процесс решения задачи, процесс обучения (формирование моделей, "кристаллизация" знаний о предметной области в процессе решения задачи) и т.п...
Усё правильно... эти процессы нужно изучать, чтобы определить в т.ч. свойства данных, идущих от машины со средой к оператору и от оператора к машине. Существенная часть этих данных - как раз видимая форма описаний "предметки"/задачи (складывающаяся из сущностей языков описания) и воздействия оператора на эту форму (остальное приходится на обмен с платформой; ну и элементы гуя и ещё какого гипотетического интерфейса само собой присутствуют).
Вот каковы Ваши представления о видимой форме моделей деятельности в среде? Причём "не такой, как ДРАКОН" ведь мы можем говорить только об импер-части моделей; для всего остального в техноязыке почти ничего нет (кроме указаний на то, что величины должны как-то описываться) - и не д.б., ибо язык императивный...


Вернуться к началу
 Профиль  
 
СообщениеДобавлено: Четверг, 28 Апрель, 2011 09:56 
Аватара пользователя

Зарегистрирован: Суббота, 29 Март, 2008 19:27
Сообщения: 1097
Откуда: Россия, Чебоксары
Драконограф писал(а):
Существенная часть этих данных - как раз видимая форма описаний "предметки"/задачи (складывающаяся из сущностей языков описания) и воздействия оператора на эту форму (остальное приходится на обмен с платформой; ну и элементы гуя и ещё какого гипотетического интерфейса само собой присутствуют).
Вот каковы Ваши представления о видимой форме моделей деятельности в среде?
Так в том-то и дело, что нет представлений, есть только понимание необходимости работы в этом направлении.

Нужны исследования:
1) как в мозге представляются абстрактные модели;
2) как минимизировать и оптимизировать путь от модели на внешнем носителе до мозга (это как раз когнитивная эргономика).

Так вот Паронджанов рассматривал (и продолжает акцентироваться) только кусочек второго (визуальный "транспорт").
Но, имхо, это бессмысленное занятие, пока не известно первое...


Вернуться к началу
 Профиль  
 
СообщениеДобавлено: Четверг, 28 Апрель, 2011 10:54 

Зарегистрирован: Воскресенье, 01 Ноябрь, 2009 05:13
Сообщения: 1442
Alexey_Donskoy писал(а):
Так в том-то и дело, что нет представлений, есть только понимание необходимости работы в этом направлении.

Нужны исследования:
1) как в мозге представляются абстрактные модели;
2) как минимизировать и оптимизировать путь от модели на внешнем носителе до мозга (это как раз когнитивная эргономика).

Так вот Паронджанов рассматривал (и продолжает акцентироваться) только кусочек второго (визуальный "транспорт").
Но, имхо, это бессмысленное занятие, пока не известно первое...
Есть представления. Кстати, в "Компьютере-творце" уже упоминали результаты исследования, каковы возможные представления, скажем, геметрических фигур в сознании (в выдержку, данную в своё время, не вошло). Однако на сегодня это м.б. исследовано только на уровне проверки гипотез, выдвигаемых на основании наблюдений за результатами действий человека вовне, а не в уме (в т.ч. его объяснений, как он думает)... чтобы было иначе, нужно читать мысли ;) Конечно, нейробиология за последние годы добилась многого в непосредственном изучении процессов мышления - но на уровне физических состояний мозга, а это, сами понимаете, не то же, что видеть отражения действительности в сознании... А это означает, что мы и работу по повышению эффективности восприятия и преобразования в уме знаковых моделей должны строить, исходя из внешних наблюдений над человеком как частью системы "человек-знание" (СЧЗ). Предъявлять ему одни данные в разных формах и получать его оценки и "на словах", и "на деле". Или изучать информативные для восприятия признаки сами по себе и в комбинациях - такие исследования тоже ведутся давно. Конечно, часто представления об эргоптимальных формах представления будут интуитивными - но это такое же творчество в конце концов...

Отсюда и ранее заданный вопрос: каковы Ваши представления, как можно представить импер-знания иначе, чем на ДРАКОНе (а характер замечаний, очевидно, подразумевает - иначе, чем по шампур-методу вообще) и как представить те части содержания деятельности (процесса, программы), которые ДРАКОНом не охвачены (неимперативные), включая обобщённую компоненту (отчуждаемое знание о задаче, предметной области в целом)?


Вернуться к началу
 Профиль  
 
СообщениеДобавлено: Четверг, 28 Апрель, 2011 12:27 
Аватара пользователя

Зарегистрирован: Суббота, 29 Март, 2008 19:27
Сообщения: 1097
Откуда: Россия, Чебоксары
Напрасно вообще-то отделили тему.
Мои замечания и предложения относятся прежде всего к Паронджанову, и как раз по вопросу "куда идти дальше".

Имхо, рано писать книжки, продвигать и изучать в вузе сырой продукт.


Вернуться к началу
 Профиль  
 
СообщениеДобавлено: Четверг, 28 Апрель, 2011 14:44 
Модератор
Аватара пользователя

Зарегистрирован: Понедельник, 14 Ноябрь, 2005 18:39
Сообщения: 631
Откуда: Россия, Орёл
Относительно каких целей понимать сырость.

Почему сырой, если сопоставлять на поле всяких UML-овских подъязыков или каких-нибудь схем Вельбицкого, которые в ГОСТе закреплены, кстати.


Вернуться к началу
 Профиль  
 
СообщениеДобавлено: Четверг, 28 Апрель, 2011 14:46 

Зарегистрирован: Вторник, 15 Декабрь, 2009 11:43
Сообщения: 83
Мне кажется, Алексей, Вы не совсем последовательны.
У Вас были к Геннадию Николаевичу вполне конкретные замечания: Вас не устраивает
интерфейс ввода пр-мы и.с.Дракон. А эта тема связана с эргономикой не меньше, чем
внешний вид визуальной схемы.

Одной из особенностей "фирменных" программ является то, что они позволяют
выполнять действия, связанные с вводом информации, несколькими, иногда довольно
сильно отличающимися друг от друга способами.

Сколькими способами можно ввести визуальную схему (берем только примеры с форума) ? :

1) Интерфейс ввода и.с.Дракон
2) Структурно-текстовый интерфейс ввода программы dal_vjaz (рис.1, подробнее см. ниже)
3) Интерфейс ввода программы ав 2.ХХ (см. рис. 3 - ветка 1: простое условие; ветка 2:
сложное условие; ветка 3: цикл)

В профессиональной среде, наверное, должно быть как-то так.
Пусть Вам не нравится ДРАКОН - редактируйте обычную блок-схему. А если Вы сторонник
текстового ввода, то для Вас есть структурно-текстовый интерфейс.
А на выходе будет сгенерирован структурированный программный код на любом из ЯПВУ
семейств С/С++ и Pascаl безо всяких там goto, который не стыдно будет вставить в любой
коллективно разрабатываемый проект.
Если Вам не нравятся все вышеперечисленные способы ввода, наберите текст пр-мы
вручную, а затем считайте его в среду и проверьте визуально построенный Вами алгоритм.

Как редактировать визуальную схему ? Тут тоже есть варианты. Например, можно
предложить следующий способ, см. рис.2: если нужно что-то вставить, растягиваете в стороны
обведенные кружочками места, помещаете туда нужные Вам блоки, соединяете их и
проверяете получившуюся схему на ошибки - код будет сгенерирован только для корректно
введенной схемы. При удалении элементов схема будет автоматически перестроена с
подгонкой размеров.

Так что дело тут, мне кажется, не в обработке мозгом информации на уровне нейронов, а
в правильной формулировке задачи.

Вложение:
ris_1.jpg
ris_1.jpg [ 120.56 КБ | Просмотров: 19736 ]

Рис. 1

Вложение:
ris_2.jpg
ris_2.jpg [ 19.94 КБ | Просмотров: 19736 ]

Рис. 2

Вложение:
ris_3.jpg
ris_3.jpg [ 48.79 КБ | Просмотров: 19736 ]

Рис. 3




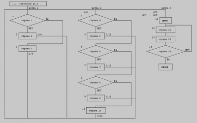
Редактирование текущей ветки визуальной схемы в окне ЛСВ (логической
структуры ветки) программы dal_vjaz

Начнем с того, что присвоим файлам shema.prg и shema.txt в каталоге
программы dal_vjaz какие-нибудь другие имена, а затем запустим программу
dal_vjaz. Когда программа обнаружит, что визуальной схемы нет, она создаст
минимальную визуальную схему по умолчанию, показанную на Рис. 4.

Добавим к этой схеме 2-ю ветку. Для этого откроем shema.prg в текстовом
редакторе и скопируем строки 4 и 5 в строки 6 и 7, а в строке 6 исправим 1
на 2. После этого сохраним изменения shema.prg, перейдем в dal_vjaz и
щелкнем мышью по кнопке «ЧС». Считанная схема показана на Рис.5.
Вложение:
ris_4.JPG
ris_4.JPG [ 8.63 КБ | Просмотров: 19736 ]

Рис. 4. Минимальная ВС, создаваемая dal_vjaz при отсутствии файла shema.prg
Вложение:
ris_5.JPG
ris_5.JPG [ 10.35 КБ | Просмотров: 19736 ]

Рис. 5. Полученная ВС с двумя ветками

После этого выберем мышью строку 2 окна ЛСВ и последовательно будем нажимать
на следующие функциональные клавиши клавиатуры: «F2», «F8», «F4», «F8», «F5»,
после чего список операторов в окне ЛСВ для ветки 1 примет следующий вид:

1_______HD
________IF
________________A
________EB
________________A
________E
2_______AD

После этого нажмем клавишу «F10», и схема примет вид, показанный на Рис.6.
Вложение:
ris_6.JPG
ris_6.JPG [ 14.05 КБ | Просмотров: 19736 ]

Рис.6.

А теперь перенесем добавленный блок IF – ELSE в ветку 2. Для этого выделим
мышью или с клавиатуры (удерживая Shift и нажимая «↓») строки 2, 3, 4, 5 и 6
списка ЛСВ, чтобы невыделенными остались только HD в начале и AD в конце
списка. Затем нажмем клавишу Delete, и выделенные строки будут удалены в
буфер ЛСВ. После этого нажмем «F10», а затем перейдем к ветке 2, нажав клавишу
«+» цифровой группы клавиатуры. ВС на экране сдвинется так, чтобы ее 2-я ветка
оказалась рядом с левым краем окна ВС, а в окне ЛСВ появится логическая
структура ветки 2, состоящая из операторов HD и AD. Поместим выделенную строку
списка ЛСВ на оператор AD и нажмем клавишу Insert, а затем «F10», а затем
вернемся к ветке 1, нажав клавишу «-»цифровой группы клавиатуры. После этого
окно ЛСВ примет вид, показанный на Рис. 7.
Вложение:
ris_7.JPG
ris_7.JPG [ 13.04 КБ | Просмотров: 19736 ]

Рис. 7.

Вот примерно так и выполняется редактирование ВС в программе dal_vjaz.


Вернуться к началу
 Профиль  
 
Показать сообщения за:  Поле сортировки  
Начать новую тему Ответить на тему  [ Сообщений: 100 ]  На страницу Пред.  1, 2, 3, 4, 5  След.

Часовой пояс: UTC + 3 часа


Кто сейчас на конференции

Сейчас этот форум просматривают: нет зарегистрированных пользователей и гости: 0


Вы не можете начинать темы
Вы не можете отвечать на сообщения
Вы не можете редактировать свои сообщения
Вы не можете удалять свои сообщения
Вы не можете добавлять вложения

Найти:
Вся информация, размещаемая участниками на конференции (тексты сообщений, вложения и пр.) © 2008-2025, участники конференции «DRAKON.SU», если специально не оговорено иное.
Администрация не несет ответственности за мнения, стиль и достоверность высказываний участников, равно как и за безопасность материалов, предоставляемых участниками во вложениях.
Powered by phpBB® Forum Software © phpBB Group
Русская поддержка phpBB