DRAKON.SU

Текущее время: Вторник, 03 Февраль, 2026 22:06

Часовой пояс: UTC + 3 часа




Начать новую тему Ответить на тему  [ Сообщений: 5 ] 
Автор Сообщение
 Заголовок сообщения: Сети алгоритмов
СообщениеДобавлено: Понедельник, 28 Сентябрь, 2015 17:59 

Зарегистрирован: Среда, 07 Январь, 2015 14:53
Сообщения: 1359
Посмотрите медицинские алгоритмы выполненные на Драконе.
Нет не те, которые рисует В. Паронджанов, а те, которые рисуют медик.

К примеру: здесь и здесь. (К сожалению последние надо смотреть в самой диссертации.)

Вы увидите, что конечная икона "Конец" имеет текст с названием следующего предлагаемого к выполнению алгоритма. Т.е., медик выстраивают последовательность выполняемых алгоритмов.

Если постараться понять смысл действия медика, то каждый выполняемый алгоритм является основанием для выбора и выполнения следующего алгоритма.

Алгоритмы не вложены в общий алгоритм, а образуют сеть алгоритмов. Как следствие, для образования разветвленной сети, в алгоритме должна быть возможность иметь несколько конечных икон с указанием наименования алгоритма продолжения выполнения.

В. Паронджанов имеет ограниченный опыт алгоритмизации в рамках НПЦАП, но претендует на реформу в медицине.

В. Паронджанов ошибочно исправляет и хочет изменить наработанную опытом практику медиков:
http://forum.oberoncore.ru/viewtopic.php?p=92017#p92017
Владимир Паронджанов писал(а):
LKom писал(а):
Владимир Данилович, как устранить ошибку а) и составить эквивалентную схему?
1. В иконе конец надо написать слово "Конец", а слова "Специализированная реанимация" удалить.
Можно сделать и по другому: перед иконой конец поставить икону вставка, а в ней написать "Специализированная реанимация"

2. В этом месте надо сделать заземление, т. е. заменить икону конец на икону адрес. Внутри последней написать "Завершение".

3. Справа ввести еще одну ветку, состоящую из двух икон:
—имя ветки "Завершение"
— конец.


Надо расширить понятия об алгоритмах и ввести понятие Сеть алгоритмов.

Поблагодарим медиков за их практику алгоритмизации.

Книга В. Паронджанов о медицинских алгоритмах является поверхностной и не отражает практику медиков. Книга написана без привлечения к написанию и обсуждению медиков. Печать книги является преждевременной.


Вернуться к началу
 Профиль  
 
 Заголовок сообщения: Re: Сети алгоритмов
СообщениеДобавлено: Среда, 30 Сентябрь, 2015 15:12 

Зарегистрирован: Четверг, 30 Январь, 2014 13:38
Сообщения: 422
LKom писал(а):
Вы увидите, что конечная икона "Конец" имеет текст с названием следующего предлагаемого к выполнению алгоритма. Т.е., медик выстраивают последовательность выполняемых алгоритмов.

Если постараться понять смысл действия медика, то каждый выполняемый алгоритм является основанием для выбора и выполнения следующего алгоритма.

Алгоритмы не вложены в общий алгоритм, а образуют сеть алгоритмов. Как следствие, для образования разветвленной сети, в алгоритме должна быть возможность иметь несколько конечных икон с указанием наименования алгоритма продолжения выполнения.


Владимир Паронджанов писал(а):
LKom писал(а):
Владимир Данилович, как устранить ошибку а) и составить эквивалентную схему?
1. В иконе конец надо написать слово "Конец", а слова "Специализированная реанимация" удалить.
Можно сделать и по другому: перед иконой конец поставить икону вставка, а в ней написать "Специализированная реанимация"

2. В этом месте надо сделать заземление, т. е. заменить икону конец на икону адрес. Внутри последней написать "Завершение".

3. Справа ввести еще одну ветку, состоящую из двух икон:
—имя ветки "Завершение"
— конец.

Я здесь не вижу криминала.
Это ситуация типа:
обычный "предопределенный алгоритм" - вызов другого алгоритма или точнее под-алгоритма,
который, кстати, можно вставить в его над-алгоритм, если нужно.
Это оговаривается всеми алгоритмическими стандартами.

LKom писал(а):
Надо расширить понятия об алгоритмах и ввести понятие Сеть алгоритмов.
Это можно.
Исходный алгоритм со всей его многоуровневой системой под-алгоритмов, и их под-под-алгоритмами:
-- в простейшем случае образует многоуровневое дерево,
если для каждой под-единицы есть один вызов - только из одного места - из какой-либо вышестоящей единицы;
-- в общем случае образует многуровневую сеть,
если возможны множественные вызовы под-единиц из разных мест вышестоящих по уровню единиц.

Раньше такие иерархические сети рисовали - для простых программ.
Сейчас это не принято.
Но это понятие полезно хотя бы в концептуальном плане.

-----------------------
Я еще не очень осознал теоретическую новизну конструкции типа "силуэт"
и разную пользу от него.
Там широко неявно используются "goto".
Но они какие-то особенные.
Кстати, вызовы подпрограмм (под-алгоритмов) это тоже особенные "goto":
с возвратами в точку вызова (точнее после нее).
В частности, если кто панически боится нарушить идею так называемого
структурного программирования
(использование только двухполюсников по управлению),
может спать спокойно.

А в данном конкретном медицинском случае фактически
конечный под-алгоритм вставляется в его над-алгоритм,
но оформляется в виде отдельной ветки.
Здесь сеть имеет общую шину в виде петли силуэта в которую упаковываются все goto.
Кажет так - по моим текущим представлениям.

Здесь вся сеть алгоритмов как на ладони - в петле силуэта:
все алгоритмы стоят вертикально и расположены в ряд горизонтально
(по какому-то ранжиру).


Вернуться к началу
 Профиль  
 
 Заголовок сообщения: Re: Сети алгоритмов
СообщениеДобавлено: Суббота, 03 Октябрь, 2015 14:15 

Зарегистрирован: Четверг, 30 Январь, 2014 13:38
Сообщения: 422
LKom писал(а):
Надо расширить понятия об алгоритмах и ввести понятие Сеть алгоритмов.

Далее идет перенос из темы:
Новый этап развития языка Дракон: Появился редактор "Фабула"
http://forum.oberoncore.ru/viewtopic.php?f=62&t=5490

Отличная Ваша идея.

Здесь возможны 2 аспекта:
1) Иерархическая (подпрограммная) сеть состава отдельных алгоритмов - последовательных и параллельных
(для параллельных есть проблемы с подпрограммами).
2) Сети автономных алгоритмов - независимых и взаимодействующих:
в частности - для задач группового управления объектами.
3) Их представления с применением дракон-силуэтов:
-- как сети наматываются на силуэты?
-- как их размотать? - для ясности.

В частности, они, кажется, на только наматываются:
некоторые алгоритмы цепляются на крючки на двух горизонталях скобы силуэтов.
Например, простой линейный алгоритм:
-- он разбивается на именованные части;
-- они цепляются по вертикалям на крючки горизонталей скобы;
-- они последовательно соединяются наклонными связями между крючков:
получается связная конфигурация типа пила.

----------------------------------
Это мои предложения.
Могут быть другие.


Последний раз редактировалось andr Суббота, 03 Октябрь, 2015 15:11, всего редактировалось 1 раз.

Вернуться к началу
 Профиль  
 
 Заголовок сообщения: Re: Сети алгоритмов
СообщениеДобавлено: Суббота, 03 Октябрь, 2015 15:08 

Зарегистрирован: Четверг, 30 Январь, 2014 13:38
Сообщения: 422
andr писал(а):
В частности, они, кажется, на только наматываются:
некоторые алгоритмы цепляются на крючки на двух горизонталях скобы силуэтов.
Например, простой линейный алгоритм:
-- он разбивается на именованные части;
-- они цепляются по вертикалям на крючки горизонталей скобы;
-- они последовательно соединяются наклонными связями между крючков:
получается связная конфигурация типа пила.

Проведем эксперимент с линейным алгоритмом на теме:
Именованные маршруты, как развёртка икон Вставка.
viewtopic.php?f=78&t=5510

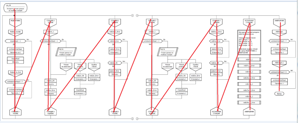
Разбивка длинного последовательного (не линейного) алгоритма на под-алгоритмы:
Вложение:
test11-01.png
test11-01.png [ 364.57 КБ | Просмотров: 9151 ]

Затем вставка их в скобу силуэта - поочередное цепляние их на крючки горизонталей
(раздвижных реек силуэта с крючками):
Вложение:
test11-02.png
test11-02.png [ 261.45 КБ | Просмотров: 9151 ]


Маршрут порядка передачи управления алгоритма:
Вложение:
test11-02'.png
test11-02'.png [ 199.64 КБ | Просмотров: 9151 ]

(прошу прощения за некоторую неаккуратность - пришлось рисовать по мелкому масштабу)

Выводы:
1) Петля силуэта, действительно, не образуется - это пока (подтвержденная) новость для автора поста
(еще не приступал к систематическому чтению литературы по Дракону).
2) Получается конфигурация типа пилы (с ручкой).
2) Скоба силуэта играет только роль (виртуального) опорного физического конструктива
для поочередного натягивания нити передачи управления между крючками (гвоздиками) скобы.
3) Наклонные отрезки линий реализуют передачу управления через goto.
4) В данном случае никаких проблем система с goto не создает:
упорядоченное (массированное) применение goto - последовательная связь двухполюсников по цепям передаче управления.
4) Сеть алгоритмов вытянулась в одну линию (голый ствол дерева).

Такая первая информация (для автора поста).

--------------------------
Вообще силуэт с массовым применением goto очень перспективный конструктор
для формирования многополюсных структур,
выходящих за рамки концепции структурного (последовательного) программирования
и его обобщения на параллельное программирование.
Для параллельных алгоритмов это очень актуально.
Но до этого еще надо поэтапно добраться (по мере наличия досуга).


Вернуться к началу
 Профиль  
 
 Заголовок сообщения: Re: Сети алгоритмов
СообщениеДобавлено: Среда, 07 Октябрь, 2015 17:04 

Зарегистрирован: Четверг, 30 Январь, 2014 13:38
Сообщения: 422
andr писал(а):
Вложение:
test11-02''.png
test11-02''.png [ 128.65 КБ | Просмотров: 9119 ]


Выводы:
1) Петля силуэта, действительно, не образуется - это пока (подтвержденная) новость для автора поста
(еще не приступал к систематическому чтению литературы по Дракону).
2) Получается конфигурация типа пилы (с ручкой).
2) Скоба силуэта играет только роль (виртуального) опорного физического конструктива
для поочередного натягивания нити передачи управления между крючками (гвоздиками) скобы.
3) Наклонные отрезки линий реализуют передачу управления через goto.
4) В данном случае никаких проблем система с goto не создает:
упорядоченное (массированное) применение goto - последовательная связь двухполюсников по цепям передаче управления.
4) Сеть алгоритмов вытянулась в одну линию (голый ствол дерева).

Такая первая информация (для автора поста).

--------------------------
Вообще силуэт с массовым применением goto очень перспективный конструктор
для формирования многополюсных структур,
выходящих за рамки концепции структурного (последовательного) программирования
и его обобщения на параллельное программирование.
Для параллельных алгоритмов это очень актуально.

Этот вопрос не был закончен.
Если уж на пошло, что это сеть алгоритмов
(в данном случае вырожденная в последовательность),
то ее надо бы как то аналитически описать.

Здесь возможны два подхода:
1.
Описание сети средствами теории графов:
типа матрица смежности и диаграмма графа типа сети.
2.
Описание сети средствами дискретной автоматики, в частности, алгоритмики.

Эти понятия сети не совсем совпадают (раньше так было, по крайней мере).

-----------------------------
Далее принимаются алгоритмические средства.
Здесь есть 7 последовательно связанных алгоритма.
Тогда в общем виде можно записать:

A = A1->A2->A3->...->A7 = A1-A2-A3->...->A7

где Ai: A1,A2,A3,...,A7 - некоторые обозначения их тел алгоритмов,
представляющих собой некоторые конкретные аналитические выражения.

В составе силуэта все алгоритмы именованные - с именами:
Ni: N1, N2, N3, ... N7

Тогда общая запись сети алгоритмов типа простой последовательности в составе силуэта:

A = N1:A1-N2:A2-N3:A3->...->N7:A7

где Ni можно интерпретировать как метки компонент сети.

-----------------------------------
Это так - поисковые попытки, если уж заговорили о сети алгоритмов.
То ли нужно, то ли нет - время покажет.
Пусть пока соображения зреют.

-----------------------------------
Строго говоря обозначения Ai - это тоже имена тел алгоритмов - их стандартные обозначения.
Но для имен может быть сколь угодно много разных синонимов, в том числе и мнемонических,
перечисляемых через знак ":" (точка с запятой):

Ai: Ni: Ni1: Ni2: ...

------------------------
Можно будет привести матричные средства записи - здесь это просто.


Вернуться к началу
 Профиль  
 
Показать сообщения за:  Поле сортировки  
Начать новую тему Ответить на тему  [ Сообщений: 5 ] 

Часовой пояс: UTC + 3 часа


Кто сейчас на конференции

Сейчас этот форум просматривают: нет зарегистрированных пользователей и гости: 1


Вы не можете начинать темы
Вы не можете отвечать на сообщения
Вы не можете редактировать свои сообщения
Вы не можете удалять свои сообщения
Вы не можете добавлять вложения

Найти:
cron
Вся информация, размещаемая участниками на конференции (тексты сообщений, вложения и пр.) © 2008-2025, участники конференции «DRAKON.SU», если специально не оговорено иное.
Администрация не несет ответственности за мнения, стиль и достоверность высказываний участников, равно как и за безопасность материалов, предоставляемых участниками во вложениях.
Powered by phpBB® Forum Software © phpBB Group
Русская поддержка phpBB